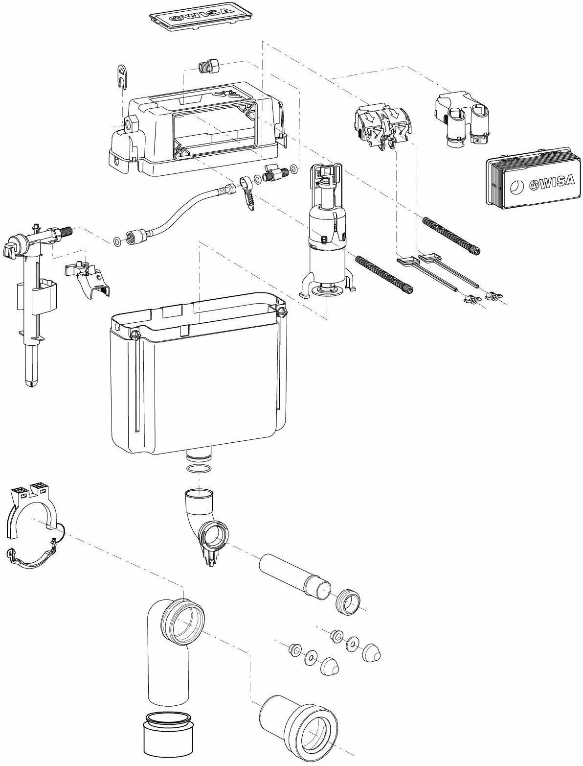
6052
Na skici najdete najpogosteje iskane rezervne dele spodnjega podometnega splakovalnika. Če del, ki ga iščete, ni na voljo, nas kontaktirajte in poskusili vam bomo pomagati.

20 Najdeni izdelki
Polnilni ventil HVK G 3/8 medenina
Primeren za podometne in nadometne splakovalnike Vzdržljiv hidravlični polnilni ventil Primeren za stranski in sredinski priklop Izjemno tiho delovanje (razred 1) Kratek čas polnjenja Vijak za prilagoditev ravni vode Teleskopska cev Hitra in preprosta namestitev Preverjena kakovost Zanesljivo delovanje Medeninast priključek G 3/8 x 33 mm
Odtočni ventil z gumi tesnilom
Dvokoličinski odtočni ventil z gumijastim tesnilom Za podometne splakovalnike 3800/380 in 6052
Odtočni ventil DUO
Poseben odtočni ventil z gumi tesnilomDvojna velika količinaZa Kit 2x Tele SteelZa enokoličinsko pnevmatsko proženje z več gumbi (v kombinaciji z ident. št. 8050404111, 8050404410, 4060404111, 4060404410)Za podometne splakovalnike 3800/380 in 6052
Tesnilo odtočnega ventila 28 x 65 x 3 mm
Gumijasto tesnilo odtočnega ventila Ø 28/65Za podometne splakovalnike 3800 / 380, 6052 Za nadometne splakovalnike Crystal, Fortuna, Linea
Objemka s krmilnimi kavlji, mehanska, splakovalnik 6052
Objemka s krmilnimi kavlji Mehanska Za podometni splakovalnik 6052
Objemka s krmilnimi kavlji, pnevmatska
Objemka s krmilnimi kavlji, pnevmatska Za podometne splakovalnike 3800/380 in 6052
Objemka DS s krmilnimi kavlji, pnevmatska
Objemka DS s krmilnimi kavlji, pneumatskaZa Kit 2x Tele Steel (v kombinaciji z ident. št. 8050404111, 8050404410, 4060404111, 4060404410)Za podometne splakovalnike 3800/380 in 6052
Komplet pritrdilnih in krmilnih zatičev za aktivirne tipke DUO, splakovalnik 6052
Komplet pritrdilnih vijakov in prožilnih drogov Za mehanske aktivirne tipke podometnih splakovalnikov 6052
Objemka za pritrditev odtočnega kolena
Pritrdilna objemka odtočnega kolena Za podometne splakovalnike 3800/380 in 6052
Zaščita revizirne odprtine, zgoraj/spredaj
Zaščita revizirne odprtine zgoraj/spredajZa podometni splakovalnik 6052
Set gumi tesnil za odtočno cev in odtočno koleno 90 mm
Set gumi tesnil za odtočno cev in odtočno koleno Ø 90 mm
Prehodni redukcijski kos Ø 90/110 mm
Materijal: PE-HD Univerzalen Barva: črna Primeren za vodoraven priključek vgradnih sistemov Ekscentričen
Standardni WC priključni komplet, 230 mm
Material: PPDolžina 230 mmUniverzalniBarva: črnaIztočna cev Ø 90 mmIztočna cev Ø 45 mmDva pokrovčka za maticoTesnilo
Podaljšan WC priključni komplet, 300 mm
Material: PPDolžina = 300 mmUniverzalniBarva: črnaIztočna cev Ø 90 mmIztočna cev Ø 45 mmDva pokrovčka za maticoTesnilo
Fleksibilna priključna cevka
Gibljiva priključna cev z zapornim ventilom Za podometni splakovalnik 6052















