9012
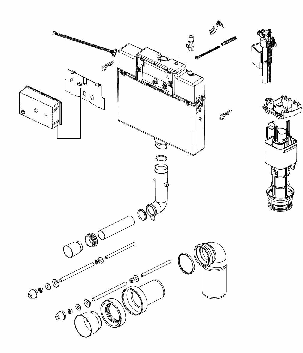
Na skici najdete najpogosteje iskane rezervne dele spodnjega podometnega splakovalnika. Če del, ki ga iščete, ni na voljo, nas kontaktirajte in poskusili vam bomo pomagati.

13 Najdeni izdelki
Polnilni ventil HDV G 3/8 medenina
Primeren za podometne in nadometne splakovalnikeTrpežen in izjemno robusten mehanski polnilni ventilPrimeren za stranski in sredinski priklopPrimeren za visok in nizek tlak Odporen proti majhnim delcem v dotoku vode Izjemno tiho delovanje (razred 1) Kratek čas polnjenja Vijak za prilagoditev ravni vode Hitra in preprosta namestitev Preverjena kakovost Zanesljivo delovanje Medeninast priključek G 3/8 x 21 mm
Odtočni ventil, splakovalnik 9012/9022
Dvokoličinski odtočni ventil s silikonskim tesnilom, mostom in sedežem izlivnega ventila z O-tesnilomZa podometne splakovalnike 9012 in 9022
Priključna cev (od 10/2014 dalje)
Gibljiva priključna cev Za podometne splakovalnike 9012 and 9022 (od 10/2014 dalje)
Navojni palici in zaščitni cevki, FIX
Navojni palici za pritrditev viseče školjke in zaščitni cevki Za mokro (FIX) vgradnjo podometnega splakovalnika
Vzvod
Aktivirni vzvod za proženje odtočnega ventila - stari Za podometne splakovalnike 9012 (aktivirne tipke APLITE/APLITE DUO, SELENITE/SELENITE DUO, do 02/2014) in 9022 (aktivirne tipke TORNADO SOLO/STOP/DUO)
Vzvod z drogom, novi
Aktivirni vzvod za proženje odtočnega ventila - novi Za podometne splakovalnike 9012 (za vse pripadajuče aktivirne tipke, od 02/2014 dalje)
Zaščita revizirne odprtine, splakovalnik 9012 (JOG)
Zaščita revizirne odprtine Za podometne splakovalnike 9012